Tek Emişli Radyal Fanlar
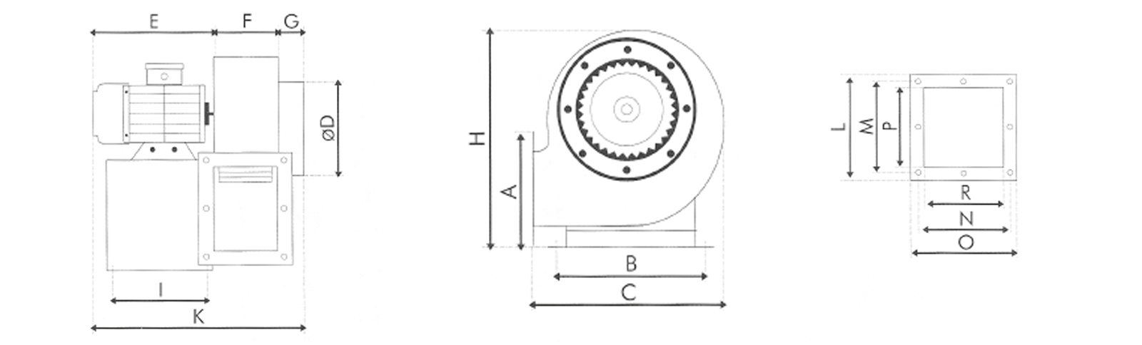
Tek Emişli Radyal Fanlar hakkında tüm teknik bilgilere ve çizimlere aşağıdaki sekmelerden ulaşabilirsiniz. Sipariş ve daha fazla bilgi için lütfen iletişime geçin.
Tek Emişli Radyal Fanlar hakkında tüm teknik bilgilere ve çizimlere aşağıdaki sekmelerden ulaşabilirsiniz. Sipariş ve daha fazla bilgi için lütfen iletişime geçin.
Tek Emişli Radyal Fanlar - Sık Kanat
* Firmamız ihbar etmeksizin fiyatları değiştirme hakkına sahiptir.
* Fiyatlarımıza KDV dahil değildir.


